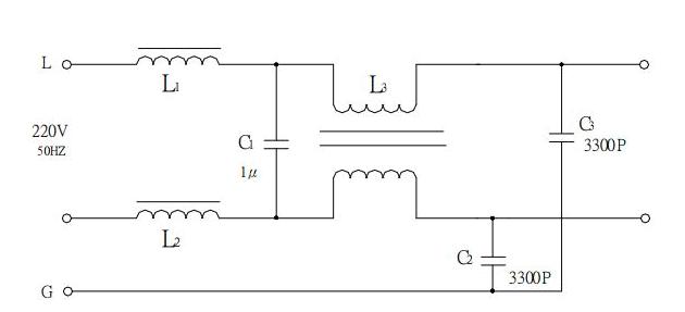
共模电感在EMC电路中的原理和作用
EMC电路设计中共模干扰问题居多,所以共模电感很常见。共模电感是可以抑制共模干扰的器件,它对于共模信号呈现出大电感具有抑制作用,而对于差模信号呈现出很小的漏电感几乎不起作用。是消灭电路中电磁兼容问题的一大利器。
共模电感的原理是流过共模电流时会产生很大的感量,此时磁环中的磁通是相互叠加的,以达到抑制作用,而当两线圈流过差模电流时,磁环中的磁通相互抵消,几乎没有电感量,所以差模电流通过不受影响。共模电感在线路中能有效地抑制共模干扰信号,而对线路正常传输的差模信号无影响。
在设计共模电感的时候应该注意几点:共模导线和导线是相互绝缘的;瞬时大电流经过磁芯时,磁芯是不能饱和的。为了防止在瞬时过电压作用下磁芯和线圈之间发生击穿,所以磁芯应与线圈绝缘;要减小线圈的寄生电容,共模线圈应尽可能绕制单层,增强线圈对瞬时过电压的承受能力。
共模电感的阻抗越大越好,在选择的时候需要注意滤波的频段,因此我们在选择共模电要根据阻抗频率曲线选择。此外还要注意考虑差模阻抗,它会对信号产生一定的影响,特别是高速信号的端口。



