Consumer electronics
Automotive electronics
Household appliances
Security monitoring
Industrial control
AI Intelligence
Medical and health care
Communication equipment
EMC design for USB2.0 port
EMC design of USB Type-C port
EMC design of HDMI port
RJ45/ 100M network port design
EMC design of TF card port
EMC design of DC power supply port
EMC design of AUX port
EMC design of VGA port
EMC design for USB3.0 port
RJ45 100M network port (with POE) design
RJ45 Gigabit network port design
RJ45 Gigabit network port (with POE) design
Search
Service
Do you need further assistance?
Please tell us your specific research needs and we will reply to you as soon as possible.
Industry solution
We are professional and dedicated to providing each customer with the most cutting-edge solution support
Classified By Industry
RJ45/ 100M network port design
EMC design of DC power supply port
RJ45 100M network port (with POE) design
RJ45 Gigabit network port design
RJ45 Gigabit network port (with POE) design
Thunderbolt 4 interface design
Differential Clock Circuit design
Crystal oscillator circuit design
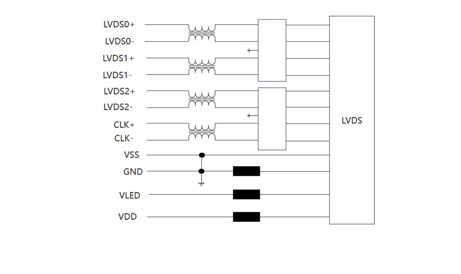
LVDS interface design scheme
LVDS interface design scheme
Contact number:
400-014-4913
Address
Building 3, Yuxiang, Longcheng High-tech Industrial Park, Dalang Sub-district, Longhua District, Shenzhen City
"Discovered
Get to know us
News Center
Follow ASIM
Official
Service
